Equipment
Optical coating equipment
Vacuum drying equipment
Mobile phone coating equipment
Magnetron sputtering coating equipment
Car light protective film coating equipment
Continuous vacuum coating equipment
Multi arc coating equipment
Accessories
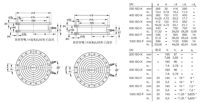
Leybold Diffusion Pump Cold TrapHome > Accessories > Leybold Diffusion Pump Cold Trap
Leybold Diffusion Pump Cold Trap
产品简介: